УЭЛ 25 эт. подвесники УЭЛ 25 эт. подвесники Скачать УЭЛ 25 эт. шахта УЭЛ 25 эт. шахта Скачать УЭЛ 25 эт. стрелки УЭЛ 25 эт. стрелки Скачать УЭЛ БУУП-М-ГС УЭЛ БУУП-М-ГС Скачать Крыша с разъемами Крыша с разъемами Скачать УКПСЛ БУУП УКПСЛ БУУП Скачать
УЭЛ 25 эт. шахта УЭЛ 25 эт. шахта Скачать УЭЛ 25 эт. стрелки УЭЛ 25 эт. стрелки Скачать УЭЛ БУУП-М-ГС УЭЛ БУУП-М-ГС Скачать Крыша с разъемами Крыша с разъемами Скачать УКПСЛ БУУП УКПСЛ БУУП Скачать
УЭЛ 25 эт. стрелки УЭЛ 25 эт. стрелки Скачать УЭЛ БУУП-М-ГС УЭЛ БУУП-М-ГС Скачать Крыша с разъемами Крыша с разъемами Скачать УКПСЛ БУУП УКПСЛ БУУП Скачать
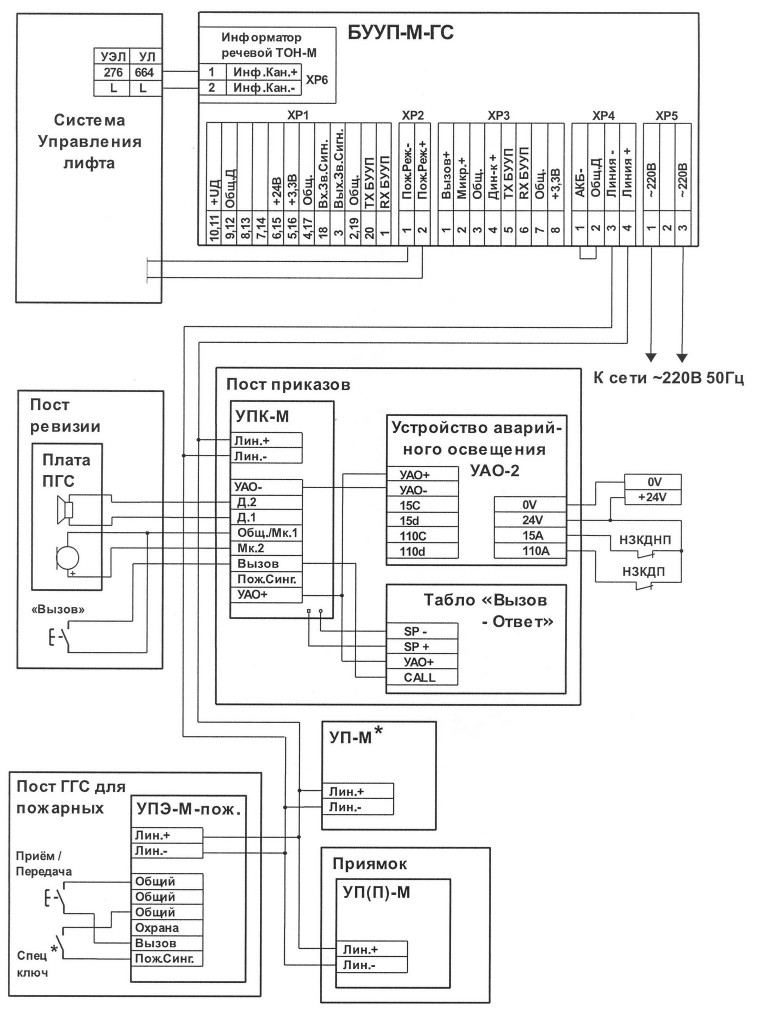
УЭЛ БУУП-М-ГС УЭЛ БУУП-М-ГС Скачать Крыша с разъемами Крыша с разъемами Скачать УКПСЛ БУУП УКПСЛ БУУП Скачать